Thông số kỹ thuật TOTO TBW01001BA TBS04302V TBW03002B – Vòi sen cây nóng lạnh
Tính năng TOTO TBW01001BA TBS04302V TBW03002B – Vòi sen cây nóng lạnh
- Thiết kế hiện đại và sang trọng
- Thân củ sen và thân cây sen được chế tạo từ đồng nguyên chất không chứa Chì. Điều này đảm bảo tính bền bỉ của sản phẩm với thời gian và an toàn cho sức khỏe của người sử dụng.
- Llớp mạ Crom/Niken dày gấp ba lần so với sản phẩm thông thường. Điều này giúp chống ăn mòn mạnh mẽ và dễ dàng vệ sinh, duy trì độ sáng bóng và đẹp mắt của sản phẩm.
- Sản phẩm được trang bị đầu xả sàn có khả năng trộn bọt khí với nước. Điều này không chỉ giúp tiết kiệm nước mà còn ngăn chặn hiện tượng bắn nước mạnh mẽ khi sử dụng.
- Công nghệ phun nước COMFORT WAVE giúp điều chỉnh dòng nước theo cách tạo ra hiệu ứng massage, mang lại cảm giác thư giãn và thoải mái cho người sử dụng.
- Tay sen TBW03002B cỡ lớn :Tay sen lớn này cung cấp áp lực nước mạnh mẽ và có khả năng điều chỉnh 5 chế độ phun massage, cho phép người sử dụng tùy chỉnh trải nghiệm tắm theo sở thích cá nhân.
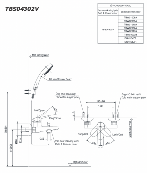
Bản vẽ kỹ thuật TOTO TBW01001BA TBS04302V TBW03002B – Vòi sen cây nóng lạnh




















Đánh giá
Chưa có đánh giá nào.