Thông số kỹ thuật TOTO TBW02001BA TBG02302VA TBW02006A – Vòi sen cây nóng lạnh
Tính năng TOTO TBW02001BA TBG02302VA TBW02006A – Vòi sen cây nóng lạnh
- Thiết kế hiện đại, sang trọng
- Lõi sen (óc sen) được làm bằng sứ Ceramic cao cấp, giúp hạn chế bám bẩn và chống ăn mòn. Điều này giúp cho cần gạt sen bền bỉ và dễ dàng đóng mở trong suốt quá trình sử dụng.
- Thân củ sen và thân cây sen được đúc từ đồng nguyên chất không chứa Chì, đảm bảo tính bền bỉ và an toàn cho sức khỏe người sử dụng.
- Lớp mạ Crom/Niken dày gấp ba lần, sản phẩm chống ăn mòn mạnh mẽ và dễ dàng vệ sinh, giữ cho nó luôn sáng bóng và đẹp mắt.
- Đầu xả sàn được thiết kế để trộn bọt khí với nước, tiết kiệm nước và ngăn chặn hiện tượng bắn nước mạnh mẽ, cung cấp trải nghiệm tắm thoải mái.
- Bát sen có thiết kế hiện đại, cỡ lớn và toả nước đều. Sản phẩm này sử dụng công nghệ phun COMFORT WAVE, giúp tạo ra trải nghiệm tắm thú vị và thư giãn.
- Tay sen TBW02006A cỡ lớn với 3 chế độ phun massage: Tay sen lớn này có khả năng điều chỉnh 3 chế độ phun massage, bao gồm WARM SPA, COMFORT WAVE và ACTIVE WAVE. Điều này mang lại lựa chọn đa dạng cho người sử dụng, giúp họ tùy chỉnh trải nghiệm tắm theo sở thích cá nhân.
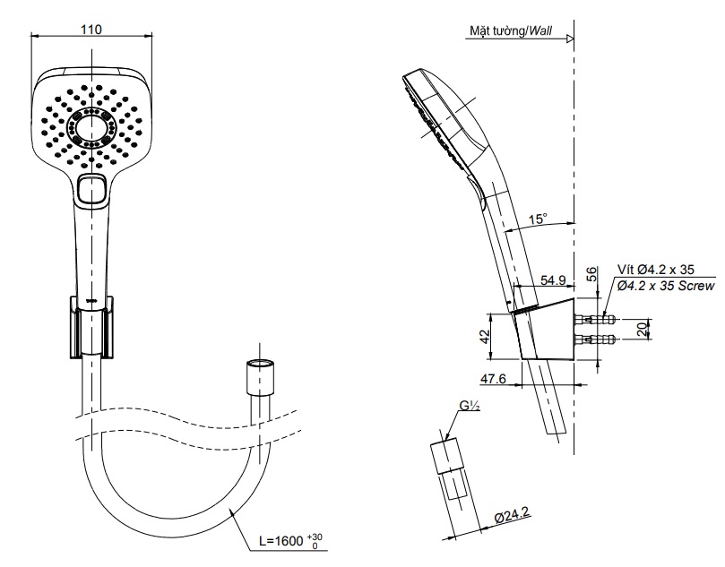
Bản vẽ kỹ thuật TOTO TBW02001BA TBG02302VA TBW02006A – Vòi sen cây nóng lạnh

































Đánh giá
Chưa có đánh giá nào.