Thông số và tính năng TOTO TBW07021A – Cút nối kèm gác sen âm tường
Tính năng TOTO TBW07021A – Cút nối kèm gác sen âm tường
- Cút nối kèm gác sen âm tường thường được thiết kế đơn giản và tinh tế để tạo sự hài hòa với thiết kế phòng tắm.
- Thân sen thường được làm bằng đồng nguyên chất, sau đó được phủ lớp mạ Crom/Niken để tăng độ bền và khả năng chống ăn mòn.
- Lớp mạ Crom/Niken dày gấp ba lần giúp bảo vệ thân sen khỏi tác động của nước và hơi ẩm trong phòng tắm.
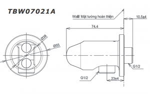
Bản vẽ kỹ thuật TOTO TBW07021A – Cút nối kèm gác sen âm tường
















Đánh giá
Chưa có đánh giá nào.