Tính năng TOTO TLE28002A – Vòi lavabo cảm ứng
- Thiết kế gọn gàng, sang trọng
- Chất lượng tiêu chuẩn Nhật Bản
- AUTO FAUCET: tự động xả nước nhờ cảm biến hồng ngoại
- Phát hiện người dùng chính xác hơn nhờ cảm biến được đặt dưới đầu vòi
- SELF POWER: tự động tái tạo và tích trữ năng lượng bằng dòng chảy nhờ công nghệ HYDRO ELECTRIC POWER ( nếu đi kèm với bộ điều khiển TLE03502A1)
- WATER SAVING: tiết kiệm nước với mức tiêu thụ chỉ 2.0L/phút
- SOFT FLOW: Đầu vòi phun trộn bọt khí êm ái giúp tiết kiệm nước, hạn chế bắn
- Thân vòi bằng đồng nguyên chất không chứa Chì an toàn cho sức khoẻ
- Lớp mạ Crom/Niken dày gấp 3 lần bền bỉ, chống ăn mòn và sáng bóng lâu dài
Thông số kỹ thuật TOTO TLE28002A – Vòi lavabo cảm ứng
- Mã sản phẩm: TLE28002A
- Thương hiệu: Thiết bị vệ sinh TOTO
- Bảo hành: 2 năm
- Kiểu vòi: Vòi lavabo cảm ứng gắn bàn/chậu cổ thấp
- Nguồn điện: pin/điện
- Kiểu xả: xả nhấn / xả lật
- Chất liệu: Đồng nguyên chất mạ Crom/Niken
- Bộ điều khiển khuyến nghị đi kèm: TLE01502A1, TLE03502A1, TLE04502A1
- Bao gồm: thân vòi cảm ứng hồng ngoại
- Không bao gồm: Bộ điều khiển, ống thải, Siphon chữ P, dây cấp, van khoá nước, van nhiệt độ
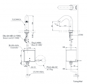
Bản vẽ kích thước TOTO TLE28002A – Vòi lavabo cảm ứng

Hình ảnh, video thực tế TOTO TLE28002A – Vòi lavabo cảm ứng
Đang cập nhật…
Danh mục liên quan: thiết bị vệ sinh , Vòi lavabo , vòi lavabo cảm ứng , Vòi lavabo TOTO

























