Tính năng TOTO TLS02303V – Vòi lavabo cổ cao nóng lạnh LN
Đang cập nhật…
Thông số kỹ thuật TOTO TLS02303V – Vòi lavabo cổ cao nóng lạnh LN
Đang cập nhật…
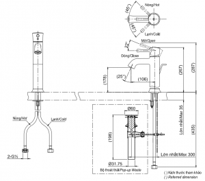
Bản vẽ kích thước TOTO TLS02303V – Vòi lavabo cổ cao nóng lạnh LN

Hình ảnh, video thực tế TOTO TLS02303V – Vòi lavabo cổ cao nóng lạnh LN
Đang cập nhật…
Danh mục liên quan: thiết bị vệ sinh , Vòi lavabo , Vòi lavabo nóng lạnh, Vòi lavabo TOTO























